DN15-50mm, threads end
Multi-jet
Single-jet
Rotary Piston
Bypass
DN50-500, Flanged end
Accessories
 
Rotary Piston
 
PD97TRP-15~25E/D (Imperial Gallon, 8 digits, 7+1)
 

APPLICATION MEASURING THE TOTAL VOLUME OF COLD POTABLE WATER PASSING THROUGH THE METER(ALSO SUITABLE FOR PURE WATER).
 
OPERATING CONDITION:
*THE MAX.ADMISSIBLE WATER PRESSURE 1.6MPa
*RESISTING WATER TERPERATURE OF 50℃
 
SPECIALITY
* LOW START-UP FLOW-RATE
* INSTALLATION IN ANY POSITION (SUCH AS LEVEL, VERTICAL)
* POSITIVE ROTATING PISTON TYPE, WITH RELIABLE PERFORMANCE               
* HIGH ACCURACY
* BRASS BODY
* ON REQUEST,THIS SERIES CAN BE EQUIPPED WITH THE PULSE DEVICE

Maximum permissible error:
Between qt (included) and qs is ±2%;
Between qmin and qt (excluded) is ±5%.
NOTE: The technical data conform to ISO4064 standard, class C.
FLOW-ERROR CURVE


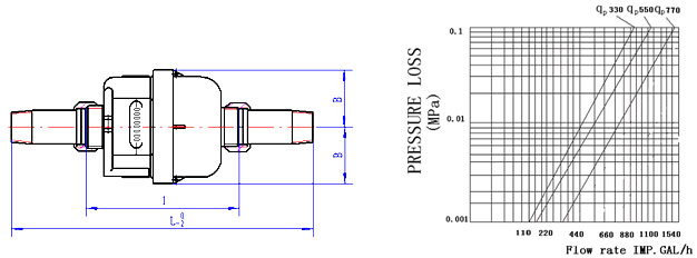
SPECIFICATION AND OVERAL DIMENSIONS

Description

Unit

Hydraulic data and dimensions

Nominal size

mm(inch)

DN15 ( 1/2″)

DN20( 3/4″)

DN25 ( 1″)

Overload flow-rate (qs)

IMP.GAL/h

660

1100

1540

Permanent flow-rate (qp)

IMP.GAL/h

330

550

770

Transitional flow-rate (qt)

IMP.GAL/h

4.95

8.25

11.55

Minimum flow-rate (qmin)

IMP.GAL/h

3.3

5.5

7.7

Min. reading

IMP.Gallons

0.01

0.01

0.01

Max. reading

IMP.Gallons

9999999.9

9999999.9

9999999.9

Nominal pressure

MPa

1.6

1.6

1.6

ΔP at the qs

MPa

≤0.1

≤0.1

≤0.1

L

mm

195

267

319

I

mm

115

165

199

B

mm

43

43

53

Weight

With connections

Kg

1.14

1.56

2.48

Without connections

0.97

1.30

2.05


OVERALL DIMENSIONS    PRESSURE LOSS CURVE

 

  All rights reserved: Lianyungang Lianli Water Meter Co.,Ltd. Tel: 0086-518-82341113 Fax: 0086-518-82340789
Add: Lianyungang economic and technological development zone, jiangsu, china
P.C: 222047 E-mail : lianli@lianliwm.com Support: Sooba.cn