APPLICATION: MEASURING THE TOTAL VOLUME OF COLD WATER PASSING THROUGH THE METER.
SPECIAL FEATURES:
* LARGE MEASURING RANGE, HIGH FLOW ACCURACY.
* STEADY ERROR CURVE.
* LONG LIFE OF SERVICE.
* RELIABLE OPERATION.
* MAGNETIC SHIELD PROTECTION.
* NEGLIGIBLE HEAD LOSS AT WORKING FLOW – RATES.
* SEALED & VACCUMIZED REGISTER WITHOUT ANYCONDENSATION PROBLEM.
NOTE: THE TECHNICAL DATA CONFORM TO ISO4064 CLASS B STANDARD.
WORKING CONDITION:
* The max. admissible pressure: 1.6MPa(16bar)
* Water temp. : not more than 50℃
TECHNICAL DATA:
* Measuring range: 0.3 m3/h—50 m3 /h
* Measuring ratio: 1:10
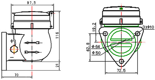
OVERALL DIMENSIONS
